The HZ-GFM Flanged Bearing combines radial load capacity with axial alignment control, thanks to its integrated flange design. Made from heat-stabilized polymers, it withstands intermittent shock loads and misalignment in automotive linkages, HVAC dampers, or material handling systems.
Core Features
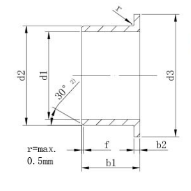
Flange Design: Prevents axial drift; simplifies mounting in soft-material housings.
Material: Glass-fiber-reinforced PA66 or PEEK for elevated temperature resistance (up to 180°C short-term).
Installation: Compatible with press-fit tools (e.g., PT-1350 series) for quick assembly.
Applications: Pump housings, electric actuator guides, and conveyor rollers requiring dual-directional stability.


English
русский
Español
عربى













